



Need loads of horsepower? Fuel injected, intelligent computer controlled lineup delivers versatile power and high performance for commercial applications.




Need loads of horsepower? Fuel injected, intelligent computer controlled lineup delivers versatile power and high performance for commercial applications.
Honda V-Twin engines offer horsepower, adaptability, quiet operation, and fuel efficiency. Not to mention a 3-year warranty.
Features
Specifications
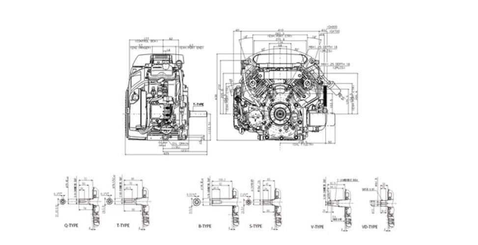
Dimension Diagram
Performance Curve
Download the Owner's Manual to find more detailed information about this engine.
Keeping your Honda healthy is an
imperative part of maintaining the
quality, reliability and performance of
your engine.
Download the features and specifications sheet for this engine.
Honda has a long history of groundbreaking innovation. Discover the Honda difference.



High horsepower, quiet operation and great fuel efficiency. This is the engine that has raised the bar.

From small vehicles to water pumps, from generators to construction equipment, this engine offers power and efficiency.